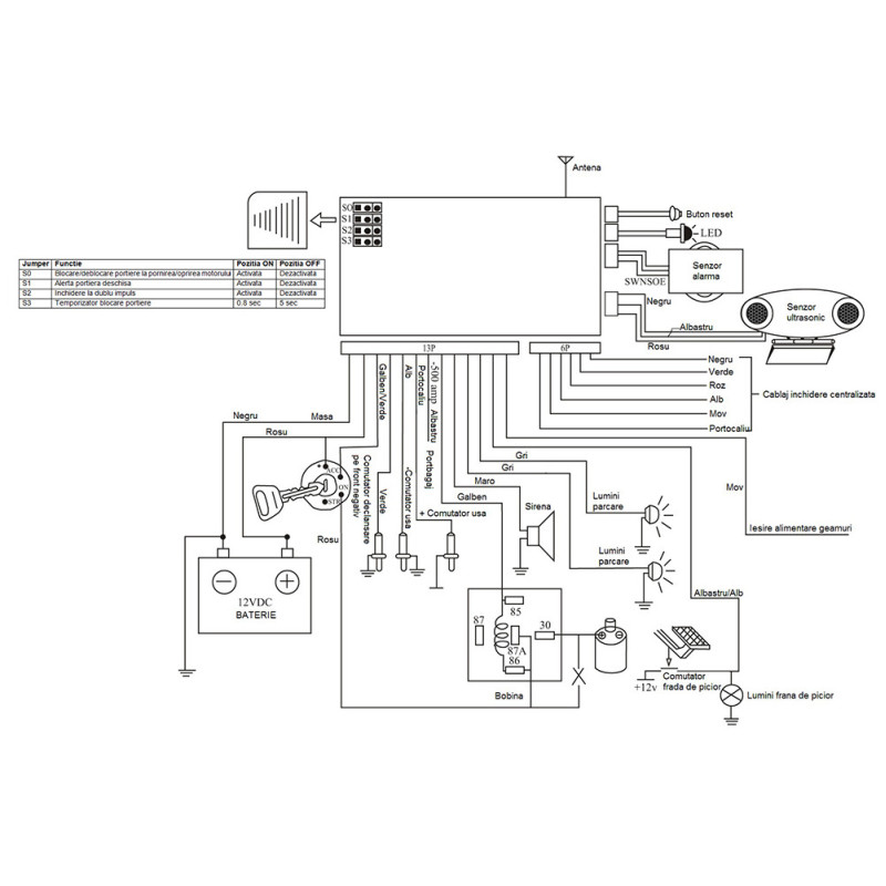
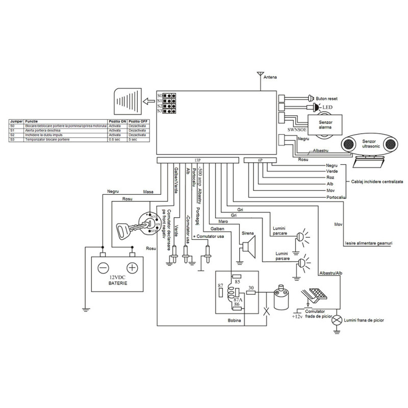
Automobilio signalizacija PNI OV288 su 2 nuotolinio valdymo pulteliais ir centrinio užrakto režimu
Automobilio signalizacija PNI OV288 su 2 nuotolinio valdymo pulteliais ir centrinio užrakto režimu








Automobilio signalizacija PNI OV288 su 2 nuotolinio valdymo pulteliais ir centrinio užrakto režimu
Garantija
12 mėn.
Pristatymas iš Europos
per 7 - 16*
d. d.
Automobilio signalizaciją lengva naudoti naudojant 2 pakuotėje esančius nuotolinio valdymo pultelius.
| Kodas: | PNI-OV288 |
| Brūkšninis kodas: | 5949066513336 |
| Prekės ženklas: | PNI |
| Svoris: | 0,795 kg |